MXL同步帶輪規格型號表/尺寸表/寬度/選型/設計
MXL同步帶輪產品特點
MXL同步帶輪,支持MXL同步帶輪,傳動精度,平衡,低噪音,無滑,節能特點,結構緊湊,多軸,耐油,抗濕氣,不需要潤滑等。使用材料MXL同步帶輪
碳鋼、鑄鐵、鋁合金、工程塑料和特種材料。MXL同步帶輪定制要求
1、公司生產的MXL同步帶輪國產化皮帶輪配套成套設備,可代替進口MXL同步帶輪。
2、用戶定制MXL同步帶輪,請提供MXL同步帶輪圖(型號為不能拉出輪齒尺寸),公司也可根據用戶規格、內孔、鍵槽寬度尺寸繪制MXL同步帶輪圖供用戶使用;也可為用戶提供地圖MXL同步帶輪等服務。
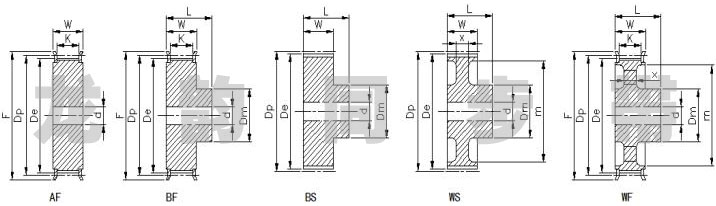
3、MXL同步帶輪直徑公差、面跑測量、徑向跳動符合滑輪設計表的規定。
4、齒面寬度同步帶MXL同步帶輪的選擇必須符合滑輪設計表的要求。
5、未列入表輪規格,公司也可生產,請咨詢詳細網站或電話服務:
常見的MXL同步帶輪規格型號尺寸表
|
規格
|
齒數
|
節徑 d
|
外徑 do
|
檔邊直徑df
|
檔邊內徑 db
|
檔邊厚度 h
|
|
22MXL
|
22
|
14.23
|
13.72
|
18
|
12
|
1
|
|
23MXL
|
23
|
14.88
|
14.37
|
18
|
12
|
1
|
|
24MXL
|
24
|
15.52
|
15.02
|
18
|
12
|
1
|
|
25MXL
|
25
|
16.17
|
15.66
|
18
|
12
|
1
|
|
26MXL
|
26
|
16.82
|
16.31
|
22
|
11
|
1
|
|
27MXL
|
27
|
17.46
|
16.96
|
22
|
11
|
1
|
|
28MXL
|
28
|
18.11
|
17.6
|
22
|
11
|
1
|
|
29MXL
|
29
|
18.76
|
18.25
|
22
|
11
|
1
|
|
30MXL
|
30
|
19.4
|
18.9
|
22
|
11
|
1
|
|
32MXL
|
32
|
20.7
|
20.19
|
25
|
15
|
1
|
|
34MXL
|
34
|
21.99
|
21.48
|
25
|
15
|
1
|
|
36MXL
|
36
|
23.29
|
22.78
|
26
|
17
|
1
|
|
38MXL
|
38
|
24.58
|
24.07
|
29
|
18
|
1
|
|
40MXL
|
40
|
25.87
|
25.36
|
29
|
18
|
1
|
|
42MXL
|
42
|
27.17
|
26.66
|
29
|
18
|
1
|
|
44MXL
|
44
|
28.46
|
27.95
|
32
|
21
|
1
|
|
46MXL
|
46
|
29.75
|
29.25
|
32
|
21
|
1
|
|
48MXL
|
48
|
31.05
|
30.54
|
34.5
|
24.5
|
1
|
|
50MXL
|
50
|
32.34
|
31.83
|
34.5
|
24.5
|
1
|
|
52MXL
|
52
|
33.63
|
33.13
|
37.8
|
28
|
1
|
|
60MXL
|
60
|
38.81
|
38.3
|
44
|
32
|
1
|
|
72MXL
|
72
|
46.57
|
46.06
|
51
|
36
|
1
|
同步帶輪齒形:
iHF齒輪21年只做一件事精密齒輪制造—同步帶輪—同步帶,生產廠家標準件大量庫存當天發貨價格優質保障,集研發.生產.服務一體化,版權所有:http://m.infinitespace.com.cn轉載請注明出處
- 同步帶輪制造工藝和同步帶輪的精度
- 同步輪設計考慮的因素
- 直徑較大的同步輪如何加工
- 同步帶輪加工精度升級,優質同步帶輪
- 同步帶輪配同步帶傳動同比其它傳動件優點
- 同步帶輪的3個設計“流程”大公布!
- 多楔帶輪的制作材質
- 同步帶輪設計流程
- 同步帶輪的設計要求!
- T2.5型同步帶輪設計參數?
聯系iHF齒輪
18929357195
售后電話:0755-27746221
客服QQ:2850623673
郵箱:2850623673@qq.com
地址:深圳市龍華新區大浪創藝路16號安宏基工業園C棟


