同步帶輪的旋壓鉚臺工藝
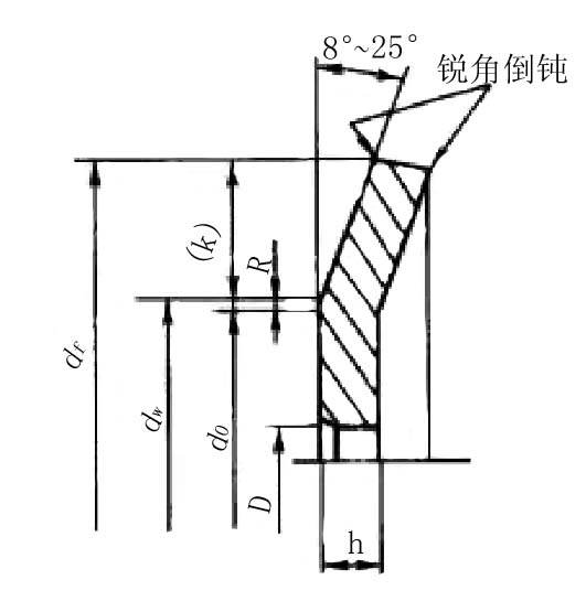
為了把擋圈牢固地鉚臺在同步帶輪上,我們采取了在同步帶輪兩端面圓周上加工出9O的V型溝槽,作為旋壓鉚合的施壓部位為了旋壓鉚合時使擠壓金屬產生均勻的塑性變形,達到牢固鉚臺擋圈的目的,一般選擇V型溝槽深1.5ram,溝槽中心到外圓距離為2.5~3.5ram。為保證同步帶輪與擋圈的配臺問隙及鉚臺質量,一般選擇它的配合形式為過渡配合。
在旋壓鉚合之前,首先應將擋圈壓入同步帶輪的臺階中,然后把同步帶輪裝夾在普通車床的三爪上(注意使用銅襯套保護齒面不被夾毛),把旋壓鉚合工具裝央在刀架上,使工件以2~5轉/分的低轉速轉動,再使刀架上的旋壓工具擠向V型溝槽,以使被擠壓金屬產生塑性變形且使晶粒不被擠碎,這祥,f毫外側流動的金屬就會牢固地把擋圈鉚臺在同步帶輪上。
同步帶輪的旋壓轉速與擋圈的鉚合質量是密切相關的。過高的轉速固然可以提高生產效率,但往往還會引起機床振動及工件的發熱生溫,過熱的金屬受壓后往往會向同步帶輪的軸線方向延伸和發生較大的塑性變形,并造成金屬的疲勞和晶粒的破碎,使旋壓鉚臺表面粗糙度惡化和鉚臺強度不夠。
在我廠近幾年的新產品開發中,同步帶傳動正以它傳動平穩、可靠性高、結構簡單、制造方便和噪音低等優點廣泛直用在新產品的機械傳動中,并不斷替代鏈條傳動和齒輪傳動,成為紡織機械中的一種新的傳動形式。根據同步帶傳動的特點和使用要求,有些同步帶輪的兩邊必須鉚臺擋圈(圖1),以限制同步帶在工作過程中的左右竄動。
擋圈鉚合的現狀
一些同步帶輪廠目前所生產的同步帶輪擋圈的鉚合,是用鏨子在結合處鉚幾個點(通常是在圓周上的均布四點),這樣幾點的鉚臺,僅是靠同步帶輪上被鏨部位的金屬變形來固定擋圈,其牢固強度很難保證同步帶輪的工作可靠性,如果同步帶輪和擋圈是間隙配合,就更難保證鉚合質量和強度同步帶輪在使用過程中,擋圈極易受同步帶側面的擠壓,長時間的擠壓就會使擋圈很容易脫落,這種現象將嚴重影響同步帶輪的正常運行和工作可靠性。
iHF齒輪21年只做一件事精密齒輪制造—同步帶輪—同步帶,生產廠家標準件大量庫存當天發貨價格優質保障,集研發.生產.服務一體化,版權所有:http://m.infinitespace.com.cn轉載請注明出處
- 讓同步帶輪不會發熱的知識點,您要了解嗎?
- 附近的齒輪加工廠電話 189-2935-7195
- 同步帶輪htd型(圓弧形齒)選型圖
- 使用同步帶輪傳動的特點
- 現代數控機床采用同步帶輪傳動如何控制機床的噪音?
- 用戶最好是購買知名廠家制造的材質質量好尺寸精準的同步帶輪
- 同步帶輪的使用壽命由哪些方面影響的呢
- 對于同步帶輪的成本應該如何控制
- 同步帶輪也需要維護
- 同步帶輪:將力量分散處理
聯系iHF齒輪
18929357195
售后電話:0755-27746221
客服QQ:2850623673
郵箱:2850623673@qq.com
地址:深圳市龍華新區大浪創藝路16號安宏基工業園C棟


