同步帶輪的擋圈尺寸
|
周節制 | 槽型 | MXL | XXL | XL | L | H | XH | XXH | ||||||||||||||||||
| 擋圈最小高度K | 0.5 | 0.8 | 1.0 | 1.5 | 2.0 | 4.8 | 6.1 | ||||||||||||||||||||
| 擋圈厚度h | 0.5~1.0 | 0.5~1.5 |
0.5~1.5
|
1.0~2.0
|
1.5~2.5
|
4.0~5.0
|
5.0~6.5
|
||||||||||||||||||||
|
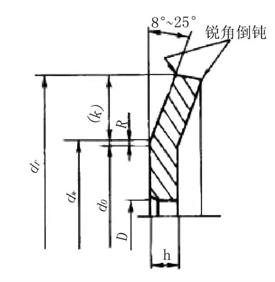
帶輪外徑d0
|
見各型號附表
|
||||||||||||||||||||||||||
|
擋圈彎曲處直徑dw
|
dw=do+(0.38±0.25)
|
||||||||||||||||||||||||||
|
擋圈外徑df
|
df=dw+2K
|
||||||||||||||||||||||||||
| 模數制 | 模數 | 1 |
1.5
|
2 | 2.5 | 3 | 4 | 5 | 7 | 10 | |||||||||||||||||
| Kmin | 0.5 | 1 |
1.5
|
2 | 3 | 5 | 6 | ||||||||||||||||||||
| h |
0.5~1
|
1.0~1.5 |
1.0~2.0
|
1.5~2.5
|
2.5~4 | 4~5 | 5~6.5 | ||||||||||||||||||||
| 特殊節距 | 槽型 | T2.5 | T5 | T10 | T20 | ||||||||||||||||||||||
| 擋圈最小高度K | 0.8 | 1.2 | 2.2 | 3.2 | |||||||||||||||||||||||
| 擋圈彎曲處直徑dw |
dw=do+(0.38±0.25)
|
||||||||||||||||||||||||||
| 擋圈外徑df |
df=dw+2K
|
||||||||||||||||||||||||||
| 圓弧齒 | 槽型 |
3M
|
5M
|
8M
|
14M
|
20M
|
|||||||||||||||||||||
| 擋圈最小高度K |
2.0~2.5
|
2.5~3.5
|
4.0~5.5
|
7.~7.5
|
8.0~8.5
|
||||||||||||||||||||||
| R=(dw~do)/2 |
1
|
1.5
|
2
|
2.5
|
3
|
||||||||||||||||||||||
| 擋圈厚度h |
1.5~2.0
|
1.5~2.5
|
2.5~3.
|
3.0~3.5
|
|||||||||||||||||||||||
| 帶輪外徑do |
各型號附表
|
||||||||||||||||||||||||||
| 擋圈彎曲處直徑dw |
dw=do+2R
|
||||||||||||||||||||||||||
| 擋圈外徑df |
df=dw+2K
|
||||||||||||||||||||||||||
擋圈的設置
| 兩軸傳動 |
(1)一般推薦小帶輪兩側均設擋圈,大帶輪兩側不設,如圖a
(2)也可在大小帶輪的不同側面各裝單側擋圈,如圖b
|
![]() |
|
| (3)當軸間距a>8df | 大小輪兩側均設擋圈 | ||
| (4)帶輪軸線垂直水平面時 | 大小輪兩側均設擋圈,或至少主動輪兩側與從動輪下側設擋圈如圖c | ||
| 多軸傳動 |
(1)每隔一個輪兩側設擋圈,被隔的不設
(2)或每個輪的不同側設擋圈
|
||
本文由深圳市合發齒輪機械有限公司,合發齒輪17年只做一件事精密齒輪制造—同步帶輪—同步帶,生產廠家標準件大量庫存當天發貨價格優質保障,集研發.生產.服務一體化,
